Ждем Ваших писем...
   

 

СИСТЕМА РЕГИСТРАЦИИ ПУЧКОВ g -КВАНТОВ ВЫСОКОЙ ЭНЕРГИИ

Ю.А. Пахотин

Новосибирский Государственный Университет, Институт Ядерной Физики им Г. И. Будкера СО РАН, Новосибирск

Целью настоящего доклада является анализ способов регистрации высокоэнергетических g -квантных пучков для постановки экспериментов по физике элементарных частиц. Подробно рассмотрена координатно-чувствительная система регистрации g -квантов на основе индукционных пропорциональных камер, которыми оснащена установка РОКК-1М (Рассеянные Обратно Комптоновские Кванты), созданная в ИЯФ СО РАН.

Совершенствование методов детектирования излучений и частиц занимает особое положение в современной экспериментальной физике. Это обусловлено тем, что практически все сведения об окружающем нас мире мы получаем с помощью регистрации и анализа излучений. При поиске элементарных составных частей материи и сил, действующих между ними, физики используют ускорители частиц и приборы для детектирования продуктов столкновения элементарных частиц.

Возникновение физики элементарных частиц обусловлено созданием и развитием соответствующих методов регистрации излучений. Детектирование излучений происходит в результате взаимодействия с веществом, находящимся в объеме детектора. Следовательно, детектор ¾ это часть системы, в которой происходит поглощение энергии излучения и ее преобразование, приводящее к возникновению сигнала. Физические процессы, которые позволяют нам детектировать частицы, различны для нейтральных и заряженных частиц. Заряженные частицы могут регистрироваться непосредственно по их электромагнитному взаимодействию. Фотоны могут взаимодействовать с веществом за счет фотоэффекта, эффекта Комптона или за счет образования электрон-позитронных пар [1]. На рис. 1 показаны зависимости сечения для всех трех эффектов взаимодействия фотонов с веществом (Z=20) от энергии фотона.

Рис. 1. Зависимость сечения фотоэффекта, комптоновского эффекта и эффекта образования пар от энергии фотона Еg .

Процесс рождения пары доминирует при энергии выше 5 МэВ (см. рис.1). Заметим, что энергия g -квантов, получаемых на установке РОКК-1М (см. доклад РОКК-1М. Комптоновский источник поляризованных меченных g -квантов высоких энергий), значительно превышает этот порог, а значит образование пар ¾ основной процесс, посредством которого полученные g -кванты взаимодействуют с веществом детектора (конвертером). Фотон, обладающий энергией до 850 МэВ, пролетая через свинцовый конвертер взаимодействует электромагнитным образом с ядром или оболочечным электроном, в результате рождается пара заряженных частиц (е+е-), а фотон исчезает. Диаграмма Фейнмана упомянутого процесса имеет вид

Вероятность рождения пары в слое толщиной X при высоких энергиях g -квантов составляет

В последние десятилетия интенсивное развитие в качестве детекторов частиц получили многопроволочные пропорциональные камеры (ПК). Классическая конструкция подобных приборов была предложена нобелевским лауреатом Г. Шарпаком с сотрудниками еще в 1968 году [2]. Перечислим их основные достоинства: самостоятельный запуск, хорошее пространственное (до 15 мкм [3]) и временное (до 7 нс [4]) разрешение, высокая загрузочная способность (до 2× 106 част./с на одну проволоку [5]), малое количество вещества на пути частиц, автоматический съем информации и т. д. Пропорциональной камерой называют детектор, в котором в результате ионизации при прохождении заряженных частиц (продуктов конверсии g -кванта) в газе образуются электроны и ионы. Движение зарядов к электродам приводит к возникновению электрического тока. При достаточно высоких значениях напряженности поля (104 ¸ 105 В/см) в результате вторичной ионизации происходит усиление первичного ионизационного эффекта. При этом ток зависит от напряжения на электродах и пропорционален ионизационному эффекту, создаваемому первичной частицей. В конечном итоге измеренный импульс напряжения возрастает в М раз по сравнению с сигналом в ионизационном режиме

где N – число первичных пар ионизации, С ¾ емкость анода относительно земли, М- называют коэффициентом газового усиления.

Высокая напряженность электрического поля, необходимая для газового усиления, достигается использованием в качестве анода тонкой проволочки. Процессы вторичной ионизации будут начинаться в непосредственной близости от поверхности проволочки, когда электроны первичной ионизации попадут в эту область. Заметим, что основной вклад в импульс, возникающий в процессе образования лавины, вносится ионами. В общем случае зависимость коэффициента газового усиления от напряжения приложенного к анодной проволочке выражается через первый коэффициент Таундсена a (количество электрон-ионных пар, образованных электроном на пути длиной 1 см) следующим образом

где rC ¾ критический радиус, при котором напряженность поля E(rC, U) достаточна для того, чтобы произошла ионизация электронным ударом, UC ¾ соответствующий критический потенциал ионизации, rA ¾ радиус анодной проволочки.

В соответствии с [6] первый коэффициент Таундсена зависит от l ¾ средней длины свободного пробега электронов в газовой смеси. Производя численное интегрирование, получаем зависимость коэффициента газового усиления от напряжения на аноде при атмосферном давлении, которая для двух используемых газовых смесей показана на рис. 2.

Рабочие газы для пропорционального режима ¾ это инертные газы аргон или ксенон с добавками CO2, CH4 и т. п. Этот выбор обусловлен тем, что для аргона полное сечение взаимодействия электронов с атомами имеет максимум вблизи энергии 13 эВ (энергия первого возбужденного уровня 11.5 эВ), поэтому даже при небольших внешних полях электроны будут иметь высокую кинетическую энергию (около 10 эВ). Заметим, что скорость дрейфа электронов в аргоне при E/p=5 В/(см× мм.рт.ст.) равна W-= 4.0× 106 см/сек. При том же значении E/p углекислый газ гораздо “быстрее” (W-=57× 106 см/сек), более того в нем имеется большое число уровней возбуждения при низких энергиях, следовательно, небольшие добавки углекислого газа в аргон значительно изменяют среднюю энергию движения электронов (при добавлении 10% CO2 в Ar при E/p=1 В/(см× мм.рт.ст.) средняя энергия движения электронов падает с 10 до 1 эВ). Таким образом, добавление углекислого газа в аргон уменьшает средний свободный пробег электронов между соударениями, уменьшает скорость движения между соударениями и увеличивает скорость дрейфа. В результате улучшается временное разрешение камеры, уменьшение тока сигнала из-за рекомбинации становится малым и, что более важно, диффузия и рекомбинация не изменяют заметным образом распределение плотности зарядов.

Рис. 2. Зависимость коэффициента газового усиления от напряжения на аноде при атмосферном давлении в смеси Ar68%+CO232% ¾ кривая 1, Ar75%+CO225% ¾ кривая 2.

И, наконец, остановимся на способе съема информации с камеры с помощью общей линии задержки, использованного в описываемой пропорциональной камере. Для определения координаты g -кванта используются импульсы, индуцированные на катодной плоскости и вызывающие распространение сигнала в линии задержки. Причем центр тяжести распределения совпадает с координатой лавины, которая определяется по разности времен прихода к концам линии задержки [7]. Предлагаемая схема съема информации с пропорциональной камеры приведена на рис. 3. Она полностью отвечает требованиям предъявляемым к регистрации g -квантов. Сигнальные проволочные электроды камеры соединены с равномерными отводами общей линии задержки. Оба конца линии задержки через усилители (А) связаны с соответствующими схемами измерения времени (Т). Результаты измерения с выходов этих схем подаются на оцифровывающее устройство (S), которое определяет координату лавины. Поскольку в таком методе сигнал наводится на несколько проволочек, то разрешение меньше шага катодных проволочек. Другим преимуществом этого метода является использование всего четырех каналов электронной аппаратуры.

Несмотря на простоту физических принципов, которые положены в основу работы пропорциональной камеры, она является сложным прибором. Обеспечение надлежащего функционирования требует решения ряда вопросов, возникающих как при изготовлении камеры, так и в процессе её эксплуатации.

Рис. 3. Принципиальная схема катодного считывания в пропорциональной камере. Положение лавины (а) определяется по центру тяжести заряда, индуцированного на катодных проволочках, расположенных перпендикулырно друг другу. 1¾ катоды, 2 ¾ анодная плоскость

Специфическая проблема пропорциональных камер ¾ это механическая нестабильность проволочек из-за электростатического отталкивания. Расчет этого эффекта [8] показывает, что анодные проволочки устойчивы, если натяжение Т превышает граничное значение Т0, которое задается геометрическими размерами камеры и разностью потенциалов между анодом и катодом V. Обратим внимание, что помимо рассмотренного вида неустойчивости, связанного с взаимным расталкиванием проволочек, существуют еще силы со стороны катодных плоскостей, приводящие к смещению всей плоскости. В некоторых случаях прогиб под действием силы тяжести может оказаться сравним с прогибом за счет электростатического взаимодействия. Воспользовавшись решением уравнения провисания проволочек в однородном поле, получаем, что максимальное смещение середины проволочки при рабочих напряжениях до 3 кВ незначительно (3 мкм). Изменение геометрических параметров камеры, приводит к изменению емкости. Так как коэффициент газового усиления M зависит от емкости анодной плоскости относительно земли, то для описываемой камеры с d=5 мм, S=4мм, 2R=20 мкм имеем

Расстояние между анодом и катодом, а также шаг намотки выдержаны с точностью 2.5 мкм, что скажется на неоднородности коэффициента усиления D М/M» 0.7%. Принципиальное ограничение на пространственную точность регистрации g -квантов с помощью индукционных камер обусловлено статистическими процессами при образовании и переносе ионизации. Рассмотрим вклады основных из них.

Пробеги первичных электронов. Основная часть первичных d -электронов имеет пробег несколько микрон и их вклад в пространственную точность мал. Так, вероятность появления d -электрона с пробегом большим 50 мкм составляет 2%.

Диффузия. В газовой смеси Ar+CO230% плотность электронов на плато ионизации n0» 90, среднеквадратичное смещение электрона в электрическом поле s dif=300 мкм, поэтому вклад диффузии равен s Р» 21 мкм.

Многократное рассеяние. Электроны и позитроны, образованные g -квантом в веществе свинцового конвертера испытывают многократное рассеяние на атомах вещества. Среднеквадратичное отклонение электрона с энергией 200 МэВ при прохождении пути X=0.18X0 (X0 ¾ радиационная длина вещества) в свинце составляет s МР» 78 мкм, а угол отклонения от первичного направления распространения q 0» 1.5° .

Флуктуации ионизационных потерь. При наклонном падении частиц пространственное разрешение ухудшается за счет флуктуаций плотности ионизации вдоль трека. Для пропорционального режима флуктуации центра тяжести можно рассчитать, используя функцию распределения ионизационных потерь. По оценкам, предполагая, что основной угол вносится многократным рассеянием, получаем s Р» 20 мкм.

Шумы электроники. Помимо ионизационных ограничений на точность измерения координаты существует предел разрешения, обусловленный шумами в линиях задержки и в электронике. Для его уменьшения выгодно иметь линию задержки с большим волновым сопротивлением, использовать газ, дающий малую длительность и большую амплитуду сигнала, иметь камеру с малым зазором. Большое значение для уменьшения шумов электроники имеет выбор предусилителя.

Важнейшей характеристикой детектора является собственная эффективность регистрации, то есть вероятность регистрации частицы, рожденной в результате взаимодействия, по сигналу в детекторе. Она зависит от вероятности взаимодействия падающих частиц с веществом детектора, количества образовавшихся свободных зарядов, эффективности сбора этих зарядов, от порогов электронных систем в процессе обработки сигналов. В качестве простейшего, существующего повсеместно и обладающего большой стабильностью источника заряженных частиц были выбраны космические лучи. Вблизи поверхности Земли космические лучи состоят из мюонной и электромагнитной компонент. Полная интенсивность мюонов примерно равна 70 м-2сек-1стеррад-1 для энергии свыше 1 ГэВ. Полная интенсивность электронов и позитронов примерно равна 30 м-2сек-1стеррад-1 для энергии свыше 10 МэВ [9]. Эффективность регистрации пропорциональной камеры по заряженным частицам составила (98± 1.5)%, что отвечает ~ 13% регистрации по g -квантам (для используемого свинцового конвертера толщиной 0.18 рад. длин).

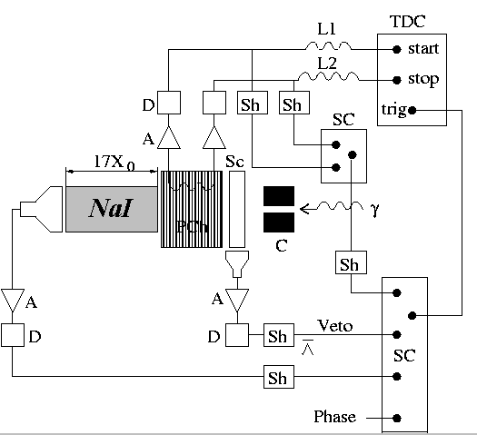
Основным назначением разработанной и изготовленной пропорциональной камеры является регистрация пространственных профилей направленных пучков комптоновских g -квантов, полученных на установке РОКК-1М, либо тормозного излучения, полученного на ускорителе электронов ВЭПП-4М. Описанная система регистрации пучков g -квантов является неотъемлемой частью установки РОКК-1М и позволяет контролировать процесс взаимодействия лазерных фотонов с ускоренными электронами и (или) позитронами. Координатные распределения g -квантов измеряются в соответствии со схемой изображенной на рис. 4

Энергетический спектр g -квантов определяется с помощью счетчика полного поглощения на основе монокристалла NaI(Tl). Низкоэнергетичные g -кванты не учитываются, для чего в цепи спектрометра установлен дискриминатор D. Сцинтилляционный счетчик Sc, включенный на антисовпадения (“Вето”) отрезает заряженную компоненту пучка, возникшую из-за ливней в выходном окне ускорителя.

Рис. 4. Блок-схема экспериментов по определению пространственных профилей пучков g -квантов. На рисунке обозначены: PCh- пропорциональная камера, А- усилитель, D- дискриминатор, SC- схема совпадений, Sh- формирователь импульсов, TDS- времени-цифровой преобразователь, L1, L2- дополнительные линии задержки (L2-L1>L, где L- линия задержки в камере), Sc- “Вето”-счетчик, NaI- счетчик полного поглощения, “Phase”-фаза ускорителя (при регистрации тормозных g -квантов) или лазера (при регистрации комптоновских g -квантов), С-коллиматор, используемый при необходимости.

Возможность координатно-чувствительной регистрации g -квантов (определение профилей пучков) открывает широкие возможности по постановке различных экспериментов в области физики высоких энергий.

Литература

  1. Клайнкнехт К. Детекторы корпускулярных излучений: Пер. с нем.¾ М: Мир, 1990.
  2. Charpak G. et al., Nucl. Instr. and Meth., v. 62, 265 (1968).
  3. А. Е. Бондарь, А. П. Онучин, В. С. Панин, В. И. Тельнов. Пространственное разрешение индукционных пропорциональных камер. ¾ Препринт ИЯФ им Г. И. Будкера СО РАН 82-17, Новосибирск, 1982.
  4. П. П. Костромин и др. Быстродействующая пропорциональная камера на смеси фреона-14 и изобутана. ¾ Препринт ИФВЭ 87-159, Серпухов, 1987.
  5. Fisher J. et al., Nucl. Instr. and Meth., A238, 249 (1992).
  6. Ю. П. Райзер. Физика газового разряда: Учебное руководство.¾ М. Наука. Гл. ред. физ.-мат. лит., 1987.
  7. А. Н. Синаев. Съем информации с дрейфовых камер с помощью общей линии задержки. Труды Международного совещания по методике пропорциональных камер. ОИЯИ, Дубна, 1975, стр. 269.
  8. В. И. Тельнов. Расчет натяжения проволочек в пропорциональных камерах. ПТЭ, №5, стр. 46, 1974.

Phys. Rev., 54D, 1 (1996).

Ќ § ¤‚ ­ з «®
 

Copyright © 1999-2004 MeDia-security, webmaster@media-security.ru

  MeDia-security: Новейшие суперзащитные оптические голографические технологии, разработка и изготовление оборудования для производства и нанесения голограмм.Методика применения и нанесения голограмм. Приборы контроля подлинности голограмм.  
  Новости  
от MeDia-security

Имя   

E-mail

 

СРОЧНОЕ
ИЗГОТОВЛЕНИЕ
ГОЛОГРАММ!!!

г.Москва, Россия
тел.109-7119
vigovsky@media-security.ru

Голограммы.Голограммы
на стекле.Голограммы на
плёнке.Голографические
портреты.Голографические
наклейки.Голографические
пломбы разрушаемые.
Голографические стикеры.
Голографическая фольга
горячего тиснения - фольга полиграфическая.

HOLOGRAM QUICK PRODUCTION!!!
Moscow, Russia
tel.+7(095)109-7119
vigovsky@media-security.ru

Holograms. Holograms on glass. Holographic film. Holographic portraits. Holographic labels. Holographic destructible seals. Holographic stickers. Holographic foil for hot stamping - polygraphic foil.